IGBT单管的装配方式、绝缘要求处理、散热方式等问题为都比较难处理的,我们提供一种集成电源+功率模组的应用方案,体积小,功能齐全的应用方案。该方案集成IPM、整流桥、母线电压采样电路、相电压采样电路、电流采样、预充电路、继电器输出、电源电路。
整机图
控制器基本参数
|
分类 |
技术指标 |
规格参数 |
|
电控 参数 |
功能状态 |
三相逆变输出 |
|
高压输入电压范围 |
AC300V~450V |
|
|
低压输入电压 |
0-10V |
|
|
输出额定功率 |
1500W |
|
|
驱动方式 |
PWM |
|
|
带电部分与散热器绝缘 |
2500Vac |
|
|
冷却方式 |
自然冷却 |
|
|
尺寸(长*宽*高) |
137mm*105mm*70mm |
整机拓扑
连接端子定义

|
端子 |
信号 |
信号功能说明 |
信号功能说明 |
|
1 |
W |
电机W相输出 |
高压端子
|
|
2 |
V |
电机V相输出 |
|
|
3 |
U |
电机U相输出 |
|
|
4 |
L1 |
三相交流电源L1输入 |
|
|
5 |
L2 |
三相交流电源L2输入 |
|
|
6 |
L3 |
三相交流电源L3输入 |
|
|
7 |
接大地端 |
接大地端 |
|
|
1 |
K1 |
继电器输出端 |
通讯/继电器端子 |
|
2 |
K2 |
继电器输出端 |
|
|
3 |
485B |
485通讯信号B+ |
|
|
4 |
485A |
485通讯信号A- |
|
|
5 |
A/D |
调速信号输入+ |
|
|
6 |
GND |
调速信号输入- |
方案使用功率器件参数介绍
XNS10S12FT 规格参数如下:
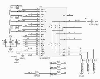
推荐应用原理:

XNDS5016 规格参数如下:
地点:深圳市龙岗区宝龙街道宝荷大道76号智慧家园2栋B座13楼
电话:0755-89890048
邮箱:service@invsemi.com